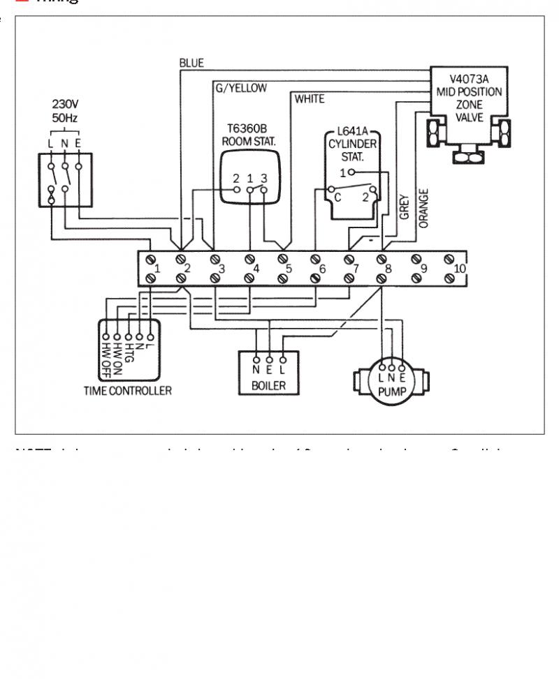
Wiring Diagram 3 Port Mid Position Valve Drayton Diynot Actuators Indicator
Drayton underfloor. Drayton 3 way valve wiring diagram. Y plan
wiring diagram 3 port mid position valve
Download PDF
Honeywell actuator wiring diagram


Motorised stat diynot programmer. Motorised actuator central mid iflo dhw diynot advances yplan. Drayton zone valve wiring diagram. Drayton 2009pdf afternoonfullof
I have complete set of danfoss gear for my home room stat cyl stat
Honeywell Wiring Diagram 3 Port Valve - Diagram Mid Position Valve
Solenoid Valve Specifications and Dimensions
Honeywell Actuator Wiring Diagram | Free Wiring Diagram
Patent US6321549 - Electronic expansion valve control system - Google

Tidak ada komentar:
Posting Komentar